Alle producten
-
SF6 herstel systeem
-
SF6 gasmeetapparaat
-
SF6 lekdetector
-
de detector van het gaslek
-
de meter van het dauwpunt
-
Online-bewakingssysteem
-
Dry Air-apparatuur
-
SF6 vacuümpomp
-
Gasmengeenheid
-
Koelstofrecyclingmachine
-
de detector van het koelmiddelenlek
-
SF6 Gaszuivering
-
SF6 Toebehoren
-
Deeltjesontladingsdetector
-
Instrumenten en apparatuur van de serie C4F7N
-
Heliummassaspectrometer
Contactpersoon :
Jin
Telefoonnummer :
15000093078
SF6 Gaszuiveringssysteem, 4x regenereerbare moleculaire zeven, Externe vochtfiltratie KS3000-GL-4-PG
Productdetails
| Markeren | SF6 waterstofzuiveringssysteem,Automatisch waterstofzuiveringssysteem,SF6-gaszuiveringssysteem |
||
|---|---|---|---|
Productomschrijving
model: KS3000-GL-4-PG
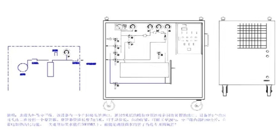
Hoofdzakelijk extern aangesloten op de uitlaat van het recyclingapparaat of de gasopslagtank, met een extern filtercomponent om ervoor te zorgen dat het gas en het vocht dat het product binnenkomt, gekwalificeerd zijn;
Kernfuncties
Hoofdzakelijk extern aangesloten op de uitlaat van het recyclingapparaat of de gasopslagtank, met een extern filtercomponent om ervoor te zorgen dat het gas en het vocht dat het product binnenkomt, gekwalificeerd zijn;
Ontworpen voor industriële gaszuivering, droogt dit systeem efficiënt niet-corrosieve gassen zoals SF6, droge lucht en stikstof. Het bereikt een vochtgehalte van ≤50 ppm in één enkele passage door zijn geavanceerde 4-traps moleculaire zeef filtratie. De regenereerbare zeven garanderen een kosteneffectieve werking op lange termijn met minimaal onderhoud.
Systeemarchitectuur
- Filtratie-eenheid: Quad moleculaire zeef configuratie voor diepe vochtverwijdering
- Auto Coil Assembly: 15m zelf-intrekbare pijpleiding met 2MPa drukclassificatie
- Thermisch beheer: 4 verwarmingsmodules met precisie temperatuurregeling
- Debietregeling: Dubbele inlaat/uitlaat poorten met optionele DN20 zelfdichtende kleppen
- Monitoring: Geïntegreerde manometer voor real-time systeemfeedback
Technische specificaties
| Parameter | Specificatie |
|---|---|
| Model | KS3000-GL-4-PG |
| Procesgassen | SF6, droge lucht, stikstof (niet-corrosief) |
| Vochtefficiëntie | ≤50 ppm na eenmalige behandeling |
| Moleculaire zeefcapaciteit | 4 regenereerbare eenheden |
| Coil Pijpleiding | 15m zelf-intrekbaar, 2MPa max. druk |
| Verwarmingsvermogen | 4 modules met PID-temperatuurregeling |
| Kleppen | Optionele DN20 zelfdichtende kleppen |
| Fysieke afmetingen | 160×50×135 cm (L×B×H) |
| Systeemgewicht | 150 kg (ongeveer) |
| Operationele druk | Tot 2MPa |
| Regeneratiecyclus | Volledig geautomatiseerde zeefregeneratie |
Geadviseerde Producten

